设备简介
该系列产品主要针对2.5D、3D玻璃、的大面开粗加工,以及外轮廓加工,4个切削主轴设计,多通道可单独控制主轴升降,并采用直联机械主轴设计,主轴切削扭矩大,对于玻璃等脆硬材料的粗加工有很大优势。
技术特点
机床功能部件介绍
主轴电机
特点:
1、电机整体尺寸小;
2、主轴电机可进行水冷,可降低温升;
3、启动响应快,功率扭矩高。


运动控制
特点:
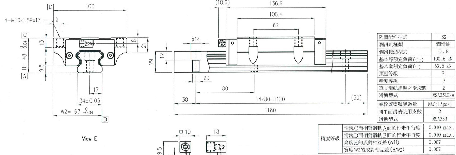
1、三轴采用滚珠线轨设计;
2、线轨的动、静载荷分别达到100.6KN,与63.6KN;
3、采用P级线轨,线轨精度等级高,具有较好的互换性;
4、线轨的摩擦系数非常低,因此在快速移动过程中也能够确保重复
精度和定位精度。
特点
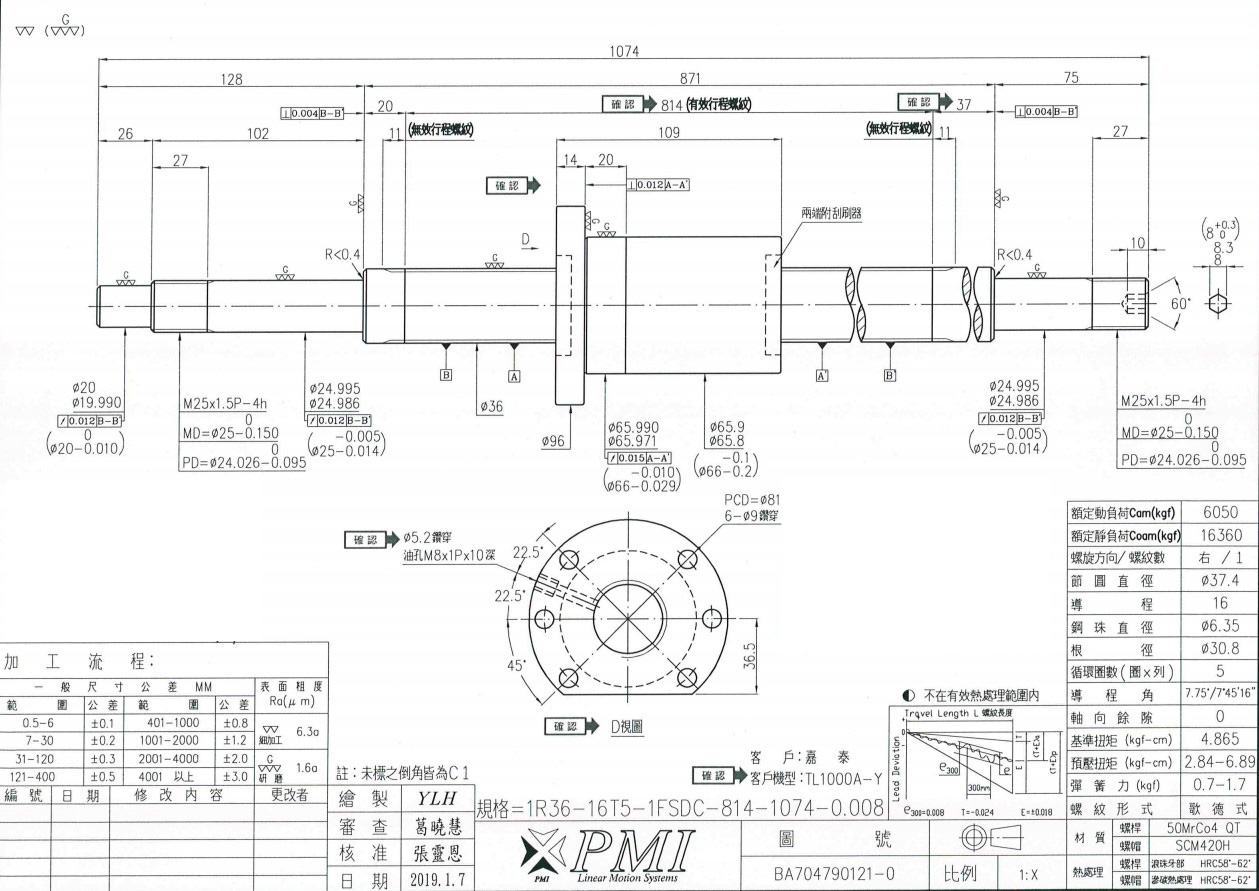
1、三轴采用精密磨制滚珠丝杠;
2、丝杠导程16mm、静载荷分别达到16360kgf
与6050kgf;
3、丝杠经过预紧处理,能够消除间隙。
机床精度镭射检验
1、整机都经过严格的镭射检测保证机床的定位精度及重复定位精度;
2、球杆仪真圆度检测300mm要求0.012mm以内,确保各轴精度与垂直度。
与其他厂家机床对比
其他厂家的机床,用的是HSKE32的电主轴,主轴低速时的扭矩及功率较小,大面积粗加工时受其主轴性能的影响,切削效率较低。
JT-DG-1050的主轴电机在低速时有较高的扭矩电机功率大,适合大面积开粗加工用。

| 规格 | UNIT | DG1050 | DG1050A |
| 工作台 | |||
| 工作台面积 | mm | 1100×500 | 1400×500 |
| T型槽(尺寸x间距x槽数) | mm | 14 × 100 × 4 | 14 × 100 × 4 |
| 工作台最大荷重 | kg | 350 | 350 |
| 行程 | |||
| X轴行程 | mm | 300 | 300 |
| Y轴行程 | mm | 500 | 500 |
| Z轴行程 | mm | 160 | 160 |
| 主轴鼻端至工作台距离 | mm | 100~260 | 80~240 |
| 主轴中心至机柱距离 | mm | 320 | 300 |
| 线轨 | |||
| 线轨系統 | mm | X:30/2/4滚珠 | X:30/2/6滚珠 |
| Y:35/2/4滚珠 | Y:35/2/6滚珠 | ||
| Z:25/2/4滚柱(四机头) | Z:25/2/4滚柱(四机头) | ||
| 主轴 | |||
| 主轴锥度 | BT30 | HSK E40 | |
| 主轴转速 | r..p.m | 12000(直结式) | 30000 |
| 速度 | |||
| 切削速度 | mm/min | 1~10000 | 1~10000 |
| 快移速度 | mm/min | X\Y\Z:15000 | X\Y\Z:24000 |
| 精度 | |||
| 定位精度 | mm | X/Y/Z:0.012 | X/Y/Z:0.010 |
| 重复定位精度 | mm | X/Y/Z:0.008 | X/Y/Z:0.006 |
| 马达 | |||
| 主轴伺服马达 | SVM-90L-15-12 | ||
| 额定功率 | kw | 3.7 | |
| 额定扭矩 | n•m | 23.3 | |
| 三轴伺服马达 |
X:130ST-M1461530LMDD Y:180ST-M23020HMBB Z:150ST-M191115HBB-Z |
X:130ST-M1461530LMDD Y:180ST-M23020HMBB Z:150ST-M191115HBB-Z |
|
| 额定功率 | kw | X:2.3、Y:4.7、Z:3.0 | X:2.3、Y:4.7、Z:3.0 |
| 额定扭矩 | n•m | X:14.6、Y:23、Z:19.1 | X:14.6、Y:23、Z:19.1 |
| 滚珠螺杆 | |||
| 滚珠螺杆直径/螺距 | mm | X:Φ36/16 | X:Φ36/16 |
| Y:Φ36/16 | Y:Φ36/16 | ||
| Z:Φ32/16 | Z:Φ36/10 | ||
| 其它 | |||
| 电源要求 | 3Ф380V、50HZ、56KVA | 3Ф380V、50HZ、50KVA | |
| 所需气压 | kg/cm² | 6.5 | 6.5 |
| 机器净重 | kg | 4250 | 7000 |
| 机器尺寸(长×宽×高) | mm | 2635*2340*2655 | 2400*2340*2600 |
